časopis z vydavatelství
FCC PUBLIC

Aktuální vydání

Číslo 12/2021 vyšlo
tiskem 1. 12. 2021. V elektronické verzi na webu ihned. 

Téma: Měření, zkoušení, péče o jakost

Trh, obchod, podnikání
Na co si dát pozor při změně dodavatele energie?

Zabezpečení strojů a strojních zařízení proti následkům poruchy jejich vlastního elektrického řídicího systému

|

Elektro 4/2000

Jiří Hlinovský, Product Manager,
SICK, spol. s r. o.

Zabezpečení strojů a strojních zařízení proti následkům poruchy jejich vlastního elektrického řídicího systému

Tato problematika, pro mnoho elektrotechniků zcela nová, se objevuje v souvislosti s uplatňováním požadavků bezpečnostních technických norem pro stroje a strojní zařízení v praxi. Týká se to především ČSN EN 954-1 (Bezpečnost strojních zařízení – Bezpečnostní části řídicích systémů – Část 1: Všeobecné zásady pro konstrukci). Splnění přísných, ale velmi obecně formulovaných požadavků ČSN EN 954-1 na bezpečnostní části řídicích systémů tak, jak jsou definovány pro kategorie 2, 3 a 4, vyžaduje u elektrických řídicích systémů použít speciální přístroje, tzv. bezpečnostní moduly. Základním konstrukčním prvkem bezpečnostních modulů jsou relé nebo stykače s nuceným vedením kontaktů, přičemž důmyslné propojení těchto prvků uvnitř modulu umožňuje, aby každý bezpečnostní modul kontroloval nejen vnější obvody, které jsou k němu připojeny, ale i sám sebe. Samo použití bezpečnostního modulu, jako vyhodnocovacího zařízení elektrického řídicího obvodu s bezpečnostní funkcí, však není zárukou splnění požadavků příslušné kategorie ČSN EN 954-1, neboť výsledná odolnost obvodu proti poruchám a následným závadám závisí i na dalších použitých přístrojích a z velké části také na způsobu jejich vzájemného propojení. Úspěšné zvládnutí návrhu elektrických řídicích obvodů pro bezpečnostní funkce, splňujících požadavky vyšších kategorií ČSN EN 954-1, není možné bez dobré orientace ve značném množství technicky náročných předpisů a bez znalosti obecně platných bezpečnostních požadavků.

Na některé základní problémy a záludnosti, kterým je nutné věnovat pozornost při návrhu elektrických řídicích obvodů pro zajištění bezpečnostní funkce nouzového zastave ní, je zaměřen tento článek. Je určen především jako pomoc projektantům elektrické výzbroje strojů a strojních zařízení. Vzhledem k tomu, že nejednotnost, nejednoznačnost a nesrozumitelnost terminologie technických norem, které se vztahují k bezpečnosti strojů a strojních zařízení, velmi komplikují chápání těchto předpisů, jsou pro větší srozumitelnost výkladu definovány poněkud odlišné termíny, jejichž používání se osvědčilo v diskusích na dané téma.

1. Terminologie
V německy psané literatuře zabývající se problematikou bezpečnosti strojů a strojních zařízení jsou termínem bezpečnostní obvod označovány elektrické obvody řídicího systému, které jsou určeny k zajišťování bezpečnostních funkcí. Kromě řídicích obvodů pro vykonávání základních funkcí jsou bezpečnostní obvody chápány jako přídavné obvody, přičemž hlavním účelem jejich použití v řídicím systému je dosáhnout vyšší úrovně ochrany proti možnému ohrožení osob, zařízení nebo výrobního procesu.

Funkční schéma typického bezpečnostního obvodu je na obr. 1. Řídicí přístroj (např. vypínač ovládaný tlačítkem, mechanický polohový vypínač apod.) snímá požadavek na bezpečnostní funkci a při jeho objevení se, tj. při působení vnější síly na ovládač řídicího přístroje, vyvolává přestavení kontaktů řídicího přístroje vstupní signál pro vykonání bezpečnostní funkce. Tento signál je propojovacím vedením přenesen na akční člen (např. relé, stykač, elektromagneticky ovládaný ventil apod.), který vykoná zásah vedoucí k dosažení bezpečného stavu zařízení.

Obr. 1.

Z obr. 1 je zcela jednoznačně zřejmé, že v bezpečnostní technice obvykle uvažované závady, např. přemostění kontaktů řídicího přístroje, svaření kontaktů nebo mechanické selhání akčního členu, mají za následek ztrátu bezpečnostní funkce obvodu.

Speciální přístroj, tzv. bezpečnostní modul, zapojený mezi řídicí přístroj a akční člen, může zvýšit odolnost bezpečnostního obvodu vůči závadám až na úroveň vyhovující požadavkům kategorie 4 podle ČSN EN 954-1. Bezpečnostní modul reaguje na vstupní signál od řídicího přístroje, vyvolává výstupní signál pro akční člen, detekuje a vyhodnocuje závady v bezpečnostním obvodu a kontroluje sám sebe, buď spojitě (trvale), nebo nespojitě (při periodicky uskutečňovaném testu).

Výslednou odolnost bezpečnostního obvodu s bezpečnostním modulem proti závadám, a tím i splnění požadavků příslušné kategorie ČSN EN 954-1, ovlivňuje počet přístrojů, které jsou v jednom obvodu zapojeny, i způsob propojení všech přístrojů. Ke splnění požadavků ČSN EN 954-1 pro kategorii 2 postačuje bezpečnostní obvod s jedním kanálem (jeden vstupní signál, jeden bezpečnostní modul, jeden akční člen), splnění požadavků pro kategorie 3 a 4 však vyžaduje použít principy redundance a různosti. Nezbytně nutný je proto bezpečnostní obvod se dvěma kanály (dva vstupní signály, jeden bezpečnostní modul, dva akční členy), přičemž pro splnění požadavků kategorie 4 musí mít každý kanál jinou polaritu, aby bylo možné eliminovat příčný zkrat mezi oběma kanály.

Mezi bezpečnostní funkce, které jsou obvykle zajišťovány prostřednictvím bezpečnostních obvodů elektrických řídicích systémů, patří např. funkce pro:

  • nouzové zastavení kategorie 0,
  • nouzové zastavení kategorie 1,
  • blokování nebezpečných pohybů v závislosti na poloze ochranných krytů (s jištěním nebo bez jištění),
  • blokování nebezpečných pohybů v závislosti na signálech optoelektrických bezpečnostních zařízení,
  • kontrolu dvouručního ovládacího zařízení,
  • kontrolu doběhu a ventilů u hydraulických a mechanických lisů apod.

2. Obecné zásady pro navrhování elektrických řídicích obvodů
Při návrhu bezpečnostních obvodů elektrického řídicího systému stroje nebo strojního zařízení musí konstruktér, kromě dodržování obecně platných zásad pro navrhování řídicích obvodů, vždy vycházet ze stanovené nebo alespoň odhadnuté rizikovosti zařízení a z požadavků příslušné kategorie ČSN EN 954-1, popř. musí respektovat další požadavky uvedené v normě typu C, jestliže pro dané zařízení existuje (základní informace o postupech pro stanovení rizikovosti zařízení podle ČSN EN 1050 a pro odhad rizikovosti podle ČSN EN 954-1 lze najít např. v číslech 1 a 3 časopisu ELEKTRO 1999).

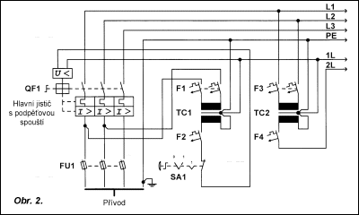
Obr. 2.

Obr. 2. Příklad často používaného obvodu pro nouzové zastavení, ve kterém jistič QF1 slouží jako hlavní vypínač stroje a zároveň jako zařízení nouzového zastavení. Zapojení je vhodné pouze pro nouzové zastavení kategorie 0 podle ČSN EN 418. Zapojení splňuje požadavky kategorie B (popř. 1) podle ČSN EN 954-1.

Podle ČSN EN 60204-1 (Bezpečnost strojních zařízení – Elektrická zařízení pracovních strojů – Část 1: Všeobecné požadavky) musejí být pro napájení řídicích obvodů použity transformátory s oddělenými vinutími, přičemž jmenovité napětí sekundárního vinutí nesmí překročit 250 V. Toto nařízení se nevztahuje na jednoduché stroje, jejichž příkon nepřesahuje 3 kW a na stroje pro domácnost, jejichž elektrické zařízení je uzavřeno v krytu. Napájecí transformátory především omezují zkratový proud v řídicích obvodech a usnadňují vzájemné propojování různých řídicích systémů.

Řídicí obvody musejí být jištěny proti nadproudu, popř. mohou být jištěny i proti přetížení. V řídicích obvodech napájených transformátorem, u kterého je jeden konec sekundárního vinutí spojen s ochranným obvodem, se proti nadproudu jistí pouze neuzemněný vodič sekundárního obvodu.

Zemní spojení kteréhokoliv vodiče řídicích obvodů nesmí způsobit neúmyslné spuštění zařízení nebo být příčinou nebezpečných pohybů a nesmí zabránit zastavení stroje. Aby tento požadavek mohl být splněn, musí být jedna strana sekundárního vinutí transformátoru pro řídicí obvody spojena s ochranným obvodem stroje. K této straně řídicího obvodu musí být připojena jedna svorka (přednostně vždy stejně označená) pracovní cívky každého elektromagneticky ovládaného akčního členu. Všechny kontakty řídicích přístrojů musejí být zapojeny mezi druhou svorku akčních členů a tu stranu řídicího obvodu, která není spojena s ochranným vodičem.

Řídicí obvody napájené z transformátoru a nepřipojené k ochrannému obvodu musejí být opatřeny přístrojem pro sledování izolačního stavu. Tento přístroj může případné zemní spojení indikovat nebo obvod se zemním spojením automaticky vypnout.

Výjimky, pro tento článek nepodstatné, jsou uvedeny v ČSN EN 60204-1.

Pro zvýšení odolnosti elektrických i elektronických řídicích obvodů proti nebezpečným následkům přerušení nebo zemního spojení některého z vodičů musí být používána tzv. aktivní H technika. Funkce START musí být iniciována sepnutím kontaktů řídicího přístroje a vykonána přivedením napětí na akční člen, tedy přechodem signálu z úrovně L na úroveň H. Funkce STOP musí být iniciována rozepnutím kontaktů řídicího přístroje a vykonána odpojením napětí od akčního členu, tedy přechodem signálu z úrovně H na úroveň L.

3. Řídicí funkce STOP (zastavení)
Funkce STOP (zastavení) jsou v ČSN EN 60204-1 rozděleny do tří kategorií:

KATEGORIE 0 – neřízené zastavení bezpečnostním vypnutím, tj. zastavení pohybu stroje vypnutím přívodu energie do pohonů stroje, přičemž jsou v činnosti všechny brzdy a další mechanické přístroje určené k zastavení.

KATEGORIE 1 – řízené zastavení, tj. zastavení pohybu stroje sestupnou hranou signálu (převedením povelového signálu z úrovně H na úroveň L), jakmile řídicí systém přijme povel k zastavení, přičemž výkonové části stroje zůstanou během procesu zastavování pod napětím.

KATEGORIE 2 – řízené zastavení, při kterém akční členy řídicího systému zůstávají pod napětím. (Pro účely tohoto článku nemá funkce STOP kategorie 2 význam a je uvedena jen pro úplnost.)

Kategorie STOP (zastavení) podle ČSN EN 60204-1 nesmějí být zaměňovány s jednotlivými kategoriemi požadavků na bezpečnostní části řídicích systémů podle ČSN EN 954-1.

Každý stroj musí být vybaven řídicí funkcí STOP kategorie 0, a vyžadují-li to bezpečnost a funkční potřeby stroje (jsou-li např. použity pohony s frekvenčními měniči), musí být stroj vybaven i funkcí STOP kategorie 1 nebo kategorie 2. Obvody STOP kategorie 0 a kategorie 1 musejí být funkční bez ohledu na zvolený pracovní režim (automatické ovládání, ruční ovládání, seřizovací režim apod.), přičemž STOP kategorie 0 musí mít přednost.

Funkce STOP (zastavení) jsou bezpečnostní funkce, a musejí tedy mít přednost před funkcemi START (spuštění).

4. Nouzové zastavení – obecně
V úvodu této části je nutné upozornit na to, že mnoho techniků pro označení funkce nouzového zastavení tvrdošíjně používá zcela nevhodné termíny TOTAL STOP nebo ještě horší CENTRAL STOP. V žádné technické normě nelze najít popis funkcí, které by byly zmíněnými termíny označeny, takže jejich chápání je individuální a nejednoznačné, na rozdíl od bezpečnostní funkce NOUZOVÉ ZASTAVENÍ, jejíž funkční hlediska jsou naprosto přesně dána v ČSN EN 418 (Bezpečnost strojních zařízení – Zařízení nouzového zastavení – Hlediska funkčnosti – Konstrukční zásady). V této normě je funkce nouzového zastavení popsána jako funkce, která zabraňuje vzniku nebezpečí nebo snižuje již existující nebezpečí hrozící osobám a zabraňuje poškození strojů nebo ohrožení probíhajícího pracovního procesu.

Funkce nouzového zastavení odpovídá buď zastavení STOP kategorie 0, nebo zastavení STOP kategorie 1. Kategorie nouzového zastavení musí být zvolena na základě odhadu rizikovosti stroje nebo strojního zařízení. Pro zjednodušení výkladu se tento článek dále zabývá pouze problematikou bezpečnostních obvodů pro nouzové zastavení kategorie 0.

Obr. 3.

Obr. 3. Příklad zapojení, ve kterém jako zařízení pro nouzové zastavení slouží stykače jednotlivých pohonů, přímo ovládané vypínačem s hřibovým ovládačem. Zapojení je vhodné pouze pro nouzové zatavení kategorie 0 podle ČSN EN 418. Zapojení splňuje požadavky kategorie B (popř. 1) podle ČSN EN 954-1.

Při aktivaci řídicího přístroje obvodu pro zajištění funkce nouzového zastavení (požadavku na funkci) musí být, co možná nejrychleji, přerušen přívod energie ke všem pohonům stroje, které mohou způsobit nebezpečný stav, aniž by tím vznikla jiná nebezpečí. Ve všech pracovních režimech musí být funkce nouzového zastavení nadřazena všem ostatním funkcím a úkonům. Vrácení řídicího přístroje obvodu nouzového zastavení do neaktivní polohy (zrušení požadavku na funkci) nesmí vést ke spuštění stroje.

V bezpečnostních obvodech pro zajištění funkce nouzového zastavení kategorie 0 musejí být použity výhradně pevně propojené elektromechanické součásti. Funkce obvodu nesmí být závislá na elektronické logice (hardware ani software) nebo na přenosu povelů datovými komunikačními spoji (tedy ani na přenosu standardními průmyslovými sběrnicemi).

Toto ustanovení norem velmi často porušují zejména konstruktéři firem, jejichž činnost je orientována hlavně na dodávky programovatelných průmyslových automatů a příslušného softwaru. V dodávkách těchto firem není žádnou vzácností stroj, u kterého je ovládací tlačítko pro nouzové zastavení připojeno na vstup programovatelného automatu a relé, připojené na výstup automatu, je akčním členem pro zásah vedoucí k dosažení bezpečného stavu zařízení. Argumentem pro takový způsob zapojení je obvykle tvrzení, že spolehlivost moderních programovatelných elektronických zařízení je vysoká, a bezpečnost je tedy zajištěna v dostatečné míře. To je samozřejmě velký omyl, neboť selhání bezpečnostní funkce může zavinit i špatně sestavený program, popř. program sice dobře sestavený, ale podle chybného zadání.

5. Požadavky na řídicí přístroje pro obvody nouzového zastavení
Řídicí přístroje pro obvody nouzového zastavení musejí být umístěny na každém řídicím stanovišti obsluhy a na všech ostatních obslužných stanovištích, kde může vzniknout požadavek na funkci nouzového zastavení, a musejí být snadno přístupné. Jestliže je to vyžadováno, musejí být vytvořeny předpoklady pro připojení přídavných řídicích přístrojů nouzového zastavení.

Jako řídicí přístroje v obvodu nouzového zastavení mohou být na strojích a strojních zařízeních použity:

  • vypínač ovládaný tlačítkem,
  • vypínač ovládaný nataženým lankem,
  • vypínač ovládaný pedálem, bez mechanického krytu.

U řídicích přístrojů pro obvody nouzového zastavení je požadována pozitivní vypínací funkce kontaktů, jinak také označovaná jako nucené rozpínání podle IEC 947-5-1-3. Při nuceném rozpínání se oddělují kontakty v přímém důsledku stanoveného pohybu ovládače, který je přenášen pevnými součástmi a nesmí záviset na pružinách.

Podle IEC 947-5-1-3 se přístroje s nuceným rozpínáním kontaktů označují touto značkou: Značka 1.

Termín nucené rozpínání kontaktů nesmí být zaměňován s termínem nucené vedení kontaktů (bude vysvětlen dále).

Všechny řídicí přístroje pro nouzové zastavení musejí být opatřeny aretací ve stisknuté (aktivní) poloze. Konstrukční nároky na aretační zařízení jsou velmi vysoké, neboť u celého přístroje musí být zajištěna tzv. odolnost proti přelstění. Obchodně jsou takto označovány řídicí přístroje pro nouzové zastavení, které splňují tyto požadavky:

Jakékoliv působení na ovládač řídicího přístroje, jehož následkem je vykonání funkce nouzového zastavení, musí současně způsobit také zaaretování ovládače řídicího přístroje tak, aby i při přerušení působení na ovládač zůstal zachován povel k nouzovému zastavení, a to až do okamžiku nového nastavení (odaretování) ovládače (např. pootočením). Bez vyvolání povelu k nouzovému zastavení nesmí dojít k zaaretování ovládače řídicího přístroje ve stisknuté poloze. Přesné znění je uvedeno v ČSN EN 418 (4.1.11).

Málo konstruktérů uvedené požadavky ČSN EN 418 zná, a ještě méně konstruktérů je respektuje. Děje se tak zejména při navrhování vypínačů ovládaných tlačítkem, neboť pro obvody nouzového zastavení jsou i v nových projektech stále ještě používány nevyhovující řídicí přístroje bez aretace nebo s nevhodnou aretací ovládače.

Ovládače řídicích přístrojů pro nouzové zastavení musejí být barvy červené, a jestliže je za nimi pozadí, musí být zdůrazněno žlutou barvou (nápis EMERGENCY STOP, NOT AUS nebo NOUZOVÉ ZASTAVENÍ není normou požadován). Ovládač vypínače ovládaného tlačítkem, musí mít tvar dlaně nebo hlavy hřibu, a je-li umístěn tak, že hrozí jeho neúmyslné stisknutí, je nutné použít ochranný límec žluté barvy.

6. Bezpečnostní části řídicích systémů
Části řídicího systému, které reagují na vstupní signály a vyvolávají výstupní signály mající vztah k bezpečnosti, jsou v normách označovány jako bezpečnostní části řídicího systému.

Podle uvedené definice lze za bezpečnostní část elektrického řídicího systému považovat kterýkoliv přístroj zapojený v bezpečnostním obvodu i bezpečnostní obvod jako celek. Výsledná bezpečnostní úroveň celého obvodu je dána vlastnostmi té bezpečnostní části, která je nejméně odolná proti závadám. Jsou-li tedy v bezpečnostním obvodu zapojeny dvě bezpečnostní části, přičemž jedna z nich splňuje požadavky kategorie 4 ČSN EN 954-1 a druhá pouze požadavky pro kategorii 1, vyhoví takový obvod jako celek pouze požadavkům kategorie 1.

7. Obvody pro splnění požadavků kategorie B (1) ČSN EN 954-1
Kategorie B je základní kategorie, jejíž požadavky mohou být aplikovány jen na bezpečnostní části řídicího systému jednoduchých a relativně bezpečných strojů. Ke splnění požadavků kategorie B stačí, aby bezpečnostní části řídicího systému byly navrženy, vyrobeny, vybrány a namontovány, popř. kombinovány podle příslušných norem a při dodržení zásad pro určené použití tak, že mohou odolávat očekávanému provoznímu namáhání a vnějším vlivům. Výskyt závady může vést ke ztrátě bezpečnostní funkce.

Kategorie 1 vyžaduje, aby bezpečnostní části řídicího systému byly navrženy a vyrobeny s použitím osvědčených součástí a bezpečnostních zásad tak, aby bylo dosaženo zvýšené odolnosti vůči závadám. Výskyt závady může vést ke ztrátě bezpečnostní funkce, ale pravděpodobnost jejího výskytu je menší než v kategorii B.

Příklad často používaného zapojení bezpečnostního obvodu pro funkci nouzového zastavení, ve kterém jistič QF1 slouží jako hlavní vypínač stroje a zároveň jako zařízení pro nouzové zastavení, je na obr. 2. Bezpečnostní obvod je přes jistič F2 napájen z transformátoru TC1, jehož primární vinutí musí být z funkčních důvodů připojeno před hlavním jističem. Vypínač, ovládaný tlačítkem (SA1), snímá požadavek na funkci, a není-li ovládač vypínače stisknut, je přiváděno napětí na podpěťovou spoušť jističe QF1. Tím je poskytnuta možnost ručně zapnout jistič a přivést napětí na přípojnice L1, L2 a L3, ze kterých jsou přes stykače připojeny pohony stroje a transformátor TC2 pro napájení ostatních řídicích obvodů. Stykače všech vývodů musejí mít samopřídrž (ovládání tlačítky), aby po zapnutí hlavního jističe nebyly neočekávaně spuštěny pohony.

Při požadavku na funkci, tj. stisknutí ovládače vypínače SA1, přeruší jeho kontakt elektrický obvod a podpěťová spoušť vypne jistič QF1, jehož silové kontakty odpojí přívod energie k pohonům stroje. Zároveň je vypnut i transformátor TC2, cívky zapnutých stykačů ztratí napětí a stykače odpadnou.

Při nouzovém zastavení ručním vypnutím hlavního jističe je silovými kontakty QF1 odpojen přívod energie k pohonům a transformátoru TC2. Funkce zařízení je stejná, ale podpěťová spoušť hlavního jističe zůstává pod napětím.

Ovládací rukojeť hlavního jističe musí být červená a musí umožňovat zajištění v poloze VYPNUTO, např. visacím zámkem apod. Další požadavky na hlavní vypínač stroje jsou specifikovány v 5.3 ČSN EN 60204-1. Velmi často není při výběru hlavního jističe respektováno ustanovení 5.3.2.c ČSN EN 60204-1, které požaduje, aby jistič splňoval nejen podmínky EN 60947-2, ale i podmínky pro bezpečné odpojení podle EN 60947-3.

Obr. 4.

Obr. 4. Nepřípustný způsob zapojení bezpečnostního obvodu pro nouzové zastavení zvyšující pravděpodobnost vzniku závady v obvodu.

Mnoho projektantů, naprosto nevhodně, používá zapojení z obr. 2 i pro nouzové zastavení rozsáhlých technologických celků a jmenovitý proud hlavního jističe dosahuje často hodnot několika stovek ampérů. Obvyklou slabinou řešení je absolutní zanedbání požadavků na zkratovou odolnost obvodů, které jsou připojeny před hlavním jističem.

Pravidelně se opakující chybou konstruktérů je použití jen jednoho transformátoru (TC1) pro napájení všech řídicích obvodů. Při nouzovém zastavení ručním vypnutím hlavního jističe zůstávají řídicí obvody pod napětím, stykače pohonů neodpadnou a při zapnutí QF1 nastane neočekávané spuštění pohonů, které byly v chodu před nouzovým zastavením.

Technicky i ekonomicky výhodnější řešení řídicích obvodů pro nouzové zastavení je na obr. 3. Jako zařízení pro nouzové zastavení slouží stykače jednotlivých pohonů, přičemž cívky stykačů jsou ovládány přímo přes kontakt vypínače s hřibovým ovládačem. K napájení všech řídicích obvodů (funkčních i bezpečnostních) v tomto případě stačí jeden transformátor. Pro úplnost je nutné uvést, že rukojeť hlavního vypínače musí být barvy šedé nebo černé.

Za hlavním vypínačem QM1 je připojen transformátor pro napájení řídicích obvodů TC1. Přímo za jističem F2 je připojen vodič 2L, určený pro napájení řídicích obvodů těch zařízení, která nemusejí nebo nesmějí být vypnuta při nouzovém zastavení. Přes řídicí přístroj obvodu pro nouzové zastavení (SA1) je za jističem F2 připojen vodič 3L, určený pro napájení řídicích obvodů pohonů, které musejí být vypnuty při nouzovém zastavení. Stykače těchto pohonů musejí mít ovládání tlačítky a samopřídrž, aby po uvolnění ovládače řídicího přístroje SA1 nebyly neočekávaně spuštěny pohony.

Vypínací schopnost kontaktu vypínače SA1 (pro induktivní zátěž bývá jen několik ampérů) výrazně omezuje maximální počet cívek stykačů, které mohou být v obvodu pro nouzové zastavení zapojeny. Tato skutečnost je hlavní překážkou, jež zabraňuje využít zapojení z obr. 3 v rozsáhlých řídicích systémech s mnoha stykači.

Z neznalosti se mnoho konstruktérů uchyluje k velmi oblíbenému zapojení řídicích obvodů pro nouzové zastavení (obr. 4), ve kterém je použit stykač K1 jako proudový zesilovač pro kontakt vypínače SA1. Toto zapojení je z hlediska bezpečnosti nepřípustné, neboť mechanismus stykače K1 i jeho kontakty vnášejí do bezpečnostního obvodu (při porovnání s obvodem na obr. 3) další rizika, která zvyšují pravděpodobnost vzniku závady v obvodu.

Zapojení nakreslená na obr. 2 a 3 znázorňují velmi jednoduché bezpečnostní obvody, jež se od sebe odlišují pouze použitým akčním členem a způsobem napájení. Nedostatky obou uvedených zapojení lze tedy posoudit souhrnně a přehledně je vyjádřit rozborem odolnosti obvodů proti závadám, tzv. analýzou závad, která musí být součástí každého návrhu bezpečnostního obvodu.

Posouzení z hlediska obecně platných bezpečnostních zásad:

  • zemní spojení v bezpečnostním obvodu je detekováno (vypne jistič obvodu, při ztrátě napětí vypne akční člen),
  • přerušení propojovacích vodičů bezpečnostního obvodu je detekováno (při ztrátě napětí vypne akční člen).

Z tohoto pohledu jsou obecné zásady dodrženy a funkčnost obvodu je zajištěna.

Posouzení z hlediska obvykle uvažovaných závad:

  • přemostění kontaktu řídicího přístroje bezpečnostního obvodu není detekováno (obvod je nefunkční),
  • svaření kontaktů akčního členu bezpečnostního obvodu není detekováno (obvod je nefunkční),
  • mechanické selhání akčního členu bezpečnostního obvodu není detekováno (obvod je nefunkční).

Je zřejmé, že kterákoliv z obvykle uvažovaných závad vede ke ztrátě bezpečnostní funkce obvodu a uvedená zapojení vyhovují pouze požadavkům kategorie B podle ČSN EN 954-1.

Požadavky kategorie 1, tj. zvýšení odolnosti proti závadám snížením pravděpodobnosti jejich výskytu, je možné splnit např. předimenzováním přístrojů, které jsou v bezpečnostním obvodu zapojeny.

Rizikovost většiny strojů a strojních zařízení vyžaduje, aby bezpečnostní části jejich řídicích systémů splňovaly alespoň požadavky ČSN EN 954-1 pro kategorii 2. Příklady zapojení obvodů pro nouzové zastavení vyhovující požadavkům vyšších kategorií ČSN EN 954-1, včetně příslušného doplňujícího výkladu, budou publikovány v příštím čísle časopisu ELEKTRO.

SICK spol. s r. o.
nám. Osvoboditelů 1368
153 00 Praha 5 - Radotín
Tel.: 02/5791 1850
Fax: 02/5781 0559
E-mail: sick@sick.cz
Web: www.sick.de

Problematika uvedená v tomto článku bude přednášena na Konferenci o měřicích metodách a měření, pořádané Moravskoslezským svazem elektrotechniků dne 30. 5. 2000 v Praze a 31. 5. 2000 v Brně. Bližší informace na telefonním čísle 05/ 48 53 38 50.