časopis z vydavatelství
FCC PUBLIC

Aktuální vydání

Číslo 12/2021 vyšlo
tiskem 1. 12. 2021. V elektronické verzi na webu ihned. 

Téma: Měření, zkoušení, péče o jakost

Trh, obchod, podnikání
Na co si dát pozor při změně dodavatele energie?

Selektivita – výjimečné vlastnosti výkonových jističů

|

číslo 10/2002

Inovace, technologie, projekty

Selektivita – výjimečné vlastnosti výkonových jističů

Martin Dostál,
Marketing, Schneider Electric CZ, s. r. o.

V předchozích číslech časopisu ELEKTRO byla zmíněna tzv. energetická selektivita jističů a teorie této problematiky. Mnozí čtenáři se jistě ptají, jak lze takovéto techniky realizovat u výkonových jističů. Dnešní pokračování tohoto seriálu by mělo přiblížit realizaci, výhody a využití těchto technik i některé další možnosti.

Technika vypínání jističů Compact NS

Obr. 1.

Začátkem devadesátých let, dnes již minulého století, přišel přední světový výrobce přístrojů pro distribuci elektrické energie, firma Merlin-Gerin (v současné době je součástí firmy Schneider Electric, která si ponechala renomované jméno Merlin-Gerin jako obchodní značku např. pro prvky výkonového jištění), s „revoluční“ technikou vypínání zkratových proudů pomocí rotoaktivního systému hlavních kontaktů jističe nn (obr. 1).

Z této teorie a na základě požadavků zvýšit možnosti omezování zkratových proudů a selektivity se zrodila řada jističů Compact NS100-630A.

Tlakový vypínací systém a energetická selektivita dávají jističům Compact NS specifické vlastnosti:

  • přirozená selektivita je standardní funkcí a zpravidla nepožaduje speciální jednotku spouští,

  • díky použití rotoaktivního vypínacího systému mají silnou schopnost omezovat vysoké zkratové proudy a velmi rychle je vypínat (zde se vlastnostmi přibližují pojistkám mnohem výrazněji než standardní jističe).

Pomocí tohoto systému je rozšířena možnost použít techniku „kaskádování“ a tak dosáhnout výraznějších ekonomických úspor z důvodu použití podřazeného jističe s vypínací schopností menší, než by zpravidla bylo zapotřebí.

Rotoaktivní vypínací systém

Obr. 2.

Tato technika omezení vysokých zkratových proudů využívá vypínací energie tlaku. Každý hlavní pól jističe je tvořen komorou s rotačním kontaktem (tvarově připomíná logo Schneider Electric), ve které se při průchodu zkratového proudu vytvářejí dva elektrické oblouky v sérii (důsledek elektromagnetického odpuzování pevného a pohyblivého kontaktu). Přesáhne-li zkratový proud prahovou hodnotu nastavení vypínacího systému, píst a pružinový mechanismus využijí tlak vzniklý při hoření oblouku k vypnutí jističe systémem „reflex“ (obr. 2), tj. zhruba 3 ms po odpojení hlavních kontaktů. Proudy, které nedosáhnou prahové hodnoty, jsou nedostatečné pro aktivaci systému a zkratový proud je omezován impedancí elektrického oblouku. Při překročení prahové hodnoty je vypínání velmi rychlé (1 ms) a omezuje rozvíjející se zkratový proud. Jističe nižší jmenovité hodnoty (In) omezují zkratový proud mnohem výrazněji.

Všechny jističe a odpínače Compact NS100/630 mají vypínací systém „reflex“. Tím je zajištěna ochrana vlastního přístroje, vyšší záruka rychlého vypnutí a navíc přirozená úplná selektivita. Každý jistič je samozřejmě vybaven termomagnetickou (mechanickou) nebo elektronickou jednotkou spouští zvolenou pro ochranu v konkrétní aplikaci (ochrana vedení, transformátoru, motoru, generátoru). Ta zajišťuje ochranu proti přetížení a impedančním zkratům. Vypínací charakteristiky (obr. 4) systému „reflex“ jsou výlučně funkcí proudové velikosti jističe.

Výhody omezujících jističů pro elektrickou instalaci

Obr. 3.

Omezující jističe výrazně zmenšují negativní důsledky zkratových proudů na elektrický rozvod.

Tepelné účinky – menší nárůst teploty ve vodičích znamená jejich delší životnost.

Mechanické účinky – omezení elektrodynamických sil, a proto menší riziko, že budou deformovány nebo zlomeny elektrické kontakty nebo přípojnice.

Elektromagnetické účinky – menší rušení měřicích zařízení umístěných v blízkosti elektrického rozvodu.

Přirozená selektivita jističů Compact NS

Díky rotoaktivní technice vypínání, která je použita v jističích Compact NS, zajišťují kombinace jističů Schneider Electric výjimečně dobrou vzájemnou selektivitu (obr. 4). To je výsledkem sladění tří rozdílných technik:

  • proudové selektivity,
  • časové selektivity,
  • energetické selektivity.

Ochrana proti přetížení – proudová selektivita
Selektivita je zajištěna, je-li poměr mezi nastavením dvou jističů větší než 1,6 (pro distribuční jističe).

Obr. 4.

Ochrana proti nízkým zkratům – časová selektivita
Vybavení předřazeného jističe je poněkud zpožděno tak, aby bylo zaručeno, že podřazený jistič vypne dříve. Selektivita je zajištěna, je-li poměr mezi nastavením větší než 1,5.

Ochrana proti vysokým zkratům – energetická selektivita
Tato ochrana kombinuje vynikající omezující schopnost jističů Compact NS s výhodami vypínání systémem „reflex“, který reaguje na energii uvolněnou v přístroji při průchodu zkratového proudu. Je-li velký zkratový proud detekován dvěma jističi, přiřazený jistič omezuje více. Energie uvolněná v předřazeném jističi nedostačuje pro jeho vybavení. Selektivita je proto plná pro všechny hodnoty proudů. Selektivita je zajištěna, je-li poměr mezi jmenovitými hodnotami jističů (In) vetší než 2.

Při přiřazování jednotlivých jisticích prvků je nutné použít tabulky selektivity, které jsou definovány výrobcem a ověřeny zkouškami. Podle nich lze posoudit možnosti selektivity jednotlivých kombinací jisticích prvků (tabulky selektivity jsou na extranetu www.design.schneider-electric.cz, popř. v některém z katalogů jisticích prvků této firmy).

Pro výkonové jističe Schneider Electric platí tato pravidla:

  • vzduchové jističe Masterpact – úplná selektivita s podřazenými jističi Compact NS100/6301),
  • kompaktní jističe Compact NS100/630 – úplná selektivita, je-li odstup jejich jmenovitých hodnot dvakrát větší1),.

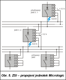
Doplňkové techniky – selektivita zónovým blokováním (ZSI)

Obr. 5.

Jednou z technik, které je možné využít při zajišťování selektivity mezi jisticími přístroji, je zónové blokování jednotlivých stupňů rozvodu elektrické energie (také známé jako logická selektivita). Tato technika je velmi často využívána a doporučována např. v USA. Díky jejímu použití se výrazně snižuje namáhání elektrického rozvodu. ZSI je využívána především v hlavních rozváděčích nn. Selektivitu zaručuje i mezi jističi podobných jmenovitých hodnot.

Princip funkce

  • v případě poruchy v bodě A (obr. 5) – podřazený jistič (č. 2) vypíná poruchu a posílá signál nadřazenému jističi (č. 1), který uplatní časové zpoždění zkratové spouště nebo zemní ochrany tak, jak je nastaveno;

  • v případě poruchy v bodě B – nadřazený jistič (č. 1) detekuje poruchu. Pokud není vyslán signál z podřazeného jističe, neuplatní se časové zpoždění spouští a jistič vypíná s minimálním časovým zpožděním. Je-li připojen k nadřazenému jističi, vysílá signál pro uplatnění nastaveného časového zpoždění nadřazeného jističe.

Pro ZSI neplatí žádná speciální pravidla. Při nastavování jističů by mělo být dodrženo přirozené nastavení jednotlivých spouští, včetně jejich časového zpoždění – tzn. nadřazený jistič je nastaven na větší poruchové proudy a má větší časo- vé zpoždění (viz proudová a časová selektivita).

ZSI je možná pouze u elektronických jednotek spouští vybavených touto funkcí a je standardním vybavením řídicích jednotek vzduchových jističů Masterpact NW (elektronické jednotky Micrologic A,P,H) a doplňkovou funkcí některých jednotek spouští jističů Compact NS400/630. Její funkce ovlivňuje pouze časové zpoždění zkratové spouště, popř. zemní ochrany.

Schneider Electric CZ, s. r. o.

Technická podpora
tel.: 382 766 333
e-mail: tp@cz.schneider-electric.com

Praha – Thámova 13, 186 00 Praha 8
tel.: 281 088 111, fax: 224 810 849
Brno – Mlýnská 70, 602 00 Brno
tel.: 543 425 555, fax: 543 425 554

http://www.schneider-electric.cz


1) Vždy záleží na nastavení spouští proti přetížení (LT) a zkratu (ST).